Bauanleitung Dreirad-Vorderlader

Aus postfossil mobil
Version vom 16. Februar 2014, 14:14 Uhr von Admin (Diskussion | Beiträge) (→‎Querschnitt)
(Unterschied) ← Nächstältere Version | Aktuelle Version (Unterschied) | Nächstjüngere Version → (Unterschied)
Zur Navigation springen Zur Suche springen

Vorbereitungen

  • Vorbereitung der Bauanleitungen der einzelnen Produkte innerhalb der Gruppe und gemeinsame Materialbestellung
  • Konfektion des Materials

Werkzeugliste

  • Schweißgerät und Zubehör
  • Metallkreissäge
  • Lochsägen
  • solide Ständerbohrmaschine
  • mehrere Winkelschleifer
  • Feilen
  • Fahrradlehre
  • Schraubstöcke
  • Kurbelabzieher
  • Satz Schraubenschlüssel
  • großer Maulschlüssel Tretlager
  • Stahl-U-Profil zum Einpspannen des ∅60mm-Unterrohrs
  • Meßschieber
  • Anreißnadel

Arbeitsschutz

  • Gehörschutz
  • Schutzbrillen
  • Arbeitshandschuhe


Materialliste

  • 20mm Quadratrohre
  • L-Winkelstahl
  • M10 Gewindestange
  • Flacheisen
  • Unterrohr ∅60mm
  • Metallplatte 200x100m, 5mm Materialstärke


Verbrauchsmaterialien

  • Trennscheiben für Flex
  • Schleifscheiben für Flex
  • Metallfeilen
  • Metallbügelsägen
  • Schneideöl
  • Schmiermittel für die Kugellager


Neuteile Fahrräder

  • Fahrradrahmen
  • Laufräder
  • Bremsen

der Workshop

das Bodengestell

  • Zuschnitt der Quadratrohre
  • anpunkten und schweißen des Bodengestells


anpunkten der Quadratrohre (siehe rote Punkte)
3Rad Workshop 0001.jpg
Grob zugeschnittene Quadratrohre werden durch
2 Schweißpunkte zusammengeheftet und dann zusammen zugeschnitten
das zusammengesetzte Bodengestell
Lara3Rad Bodengestell 01.png
Die Rohrpaare welche die gleiche Länge haben sollen sind dann auch wirklich gleich lang
Lara3Rad Bodengestell 02.png


Aufnahmen für Laufräder

Hilfswerkzeuge

  • M10 Gewindestange -> Ausrichtung der Aufnahme in einer Achse
  • Rahmenlehre


Lara3Rad Radaufnahme 02.png
Schweißen der Radaufnahmen
Kasten Vorne Radaufnahmen 002.jpg
fertig angeschweißte Radaufnahmen
Kasten Vorne Radaufnahmen 003.jpg

Trägerplatte für Lenkschaft und Stützschaft

Lara3Rad AufnahmeSteuerrohr 01.png
Mauergarten IMG 4271.JPG


Platte zum verschrauben

Lara3Rad Platte Verschrauben 02.png
Mauergarten IMG 4275.JPG Lara3Rad Platte Verschrauben 03.png

Bremsen vorne

Vorbereiten der V-Brakes.

  • Gabeln heraussuchen mit V-Brake Aufnahmen
  • so zusägen dass ein U übrig bleibt
  • Farbe an der Schweißstelle abschleifen
  • Auf der Fahrradlehre montieren: Bodengestell, Laufräder, und Bremsem mit Bremsbacken
  • Ausrichten und Schweißen


Bodengestell mit Radaufnahmen und Bremsen
Kasten Vorne Bremsen 004.jpg
Die Bremse
Kasten Vorne Bremsen 005.jpg

L-Profile

L-Profil-Streben
Kasten Vorne L-Profil 006.jpg
L-Profile einfach über die Ecke des Bodengestells gelegt
009 Kasten Vorne L-Profile.jpg


Eckverbindung der Streben
007 Kasten Vorne L Profile.jpg
Anpassen für bündigen Anschluss
008 Kasten Vorne L-Profile.jpg

fertiger Kasten

Ein Element des Rades ist der vordere Kasten mit den Beiden Laufrädern.
Zum Überblick der Kasten:

Kasten vorne
Kasten Vorne 001.jpg


Lara3Rad Kiste vorne 02.png

Steuerkopf

Das hintere mit dem Lager für die Lenkbewegung, das vordere fixiert um Stabilität zu gewinnen.

Lenkprinzip des Steuerkopfes
020 Steuerkopf Drehung.jpg


Ermittelung der Länge für die beiden Steuerohre

Lara3Rad Steuerkopf 01.png Lara3Rad Steuerkopf 02.png
Lara3Rad Steuerkopf 03.png


Für den Steuerkopf werden zwei Steuerrohre benötigt.

Arbeitsschritte

  • zwei zueinanderpassende Rohre (abgetrennter Gabelschaft) finden. Dabei geht es um die Länge ( Ermittlung durch einfachen Stahlensatz )
Steuerkopf Schema im Querschnitt
022 Steuerkopf passendeRohre.jpg

Schweißen des hinteren Steuerrohrs

Mit einer Neigung von 6° wird das Steuerrohr angeschweißt

Hilfswerkzeug:

  • M10 Gewindestange
  • Lehre um den Neigungswinkel auf 6° auszurichten

023 Kasten Vorne.jpg

das Unterrohr

Rahmen im Rohbau

Lara3Rad RahmenRoh 01.png Lara3Rad RahmenRoh 02.png
Lara3Rad RahmenRoh 03.png

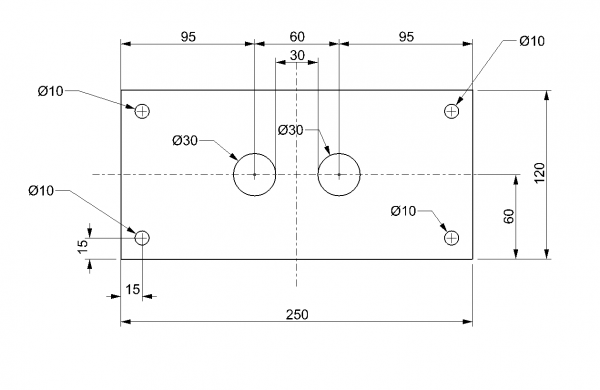
Querschnitt

Lara3Rad Schnitt 01.png